Designed to be compressed near flat, this fingerstock series of EMI / RFI shielding gaskets is ideal for applications with small gap sizes. Available in adhesive and clip-on mounts, right-angle, and enviro-twist for added environmental protection.
Similar to the twist series of RF shielding products this fingerstock series contains a dual set of contact fingers, one on each side of the mounting surface, which provide double the amount of contact points for added protection. Please refer to the Enviroseal Series of shielding products for the environmental version of these items.
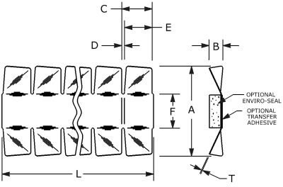
With all the same characteristics as the Twist Sub-Series of RFI EMI shielding gaskets, these fingerstock parts provide added environmental protection against contamination, dust and moisture in addition to excellent EMI RFI shielding effectiveness.
This series of RFI EMI shielding products possess high strength contact fingers with edge contact with mounting and mating surfaces. The low-profile fingerstock configuration provides for near closed gap requirements. Please refer to the Enviroseal Series of RFI EMI shielding products for the environmental version of these fingerstock products.
As some of the smallest RF shielding gaskets available these fingerstock products possess the smallest free height for applications with minimal seams gaps.
With the same fingerstock configuration as the Mini-Twist Series of RF shielding products, these parts have the added clip-on feature for ease of mounting onto edges or flanges. They are available in 2 different clip-on sizes for mounting onto flange thicknesses ranging from 0.025" thru 0.055".
With the same finger configuration as the Twist Series of RFI EMI shielding products, these fingerstock parts have the added clip-on feature for ease on mounting onto edges and flanges. They are available in 3 different mounting sizes to accommodate flange thicknesses ranging from 0.025" thru 0.075".
This series of RFI EMI shielding gaskets is ideal for 90° applications where mounting the RF shield to the surface perpendicular to the finger compression area and near flat compression is required.
RFI EMI shielding gaskets designed to make secure contact with both mounting and mating surfaces and be compressed in gaps as small as 0.010" without extending beyond its original free state.