clip on Series

clip on Series
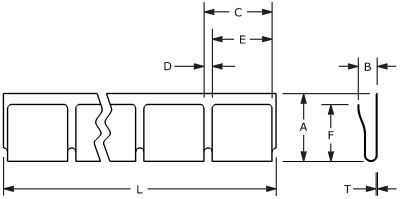
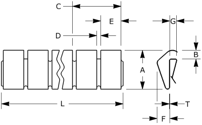
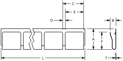
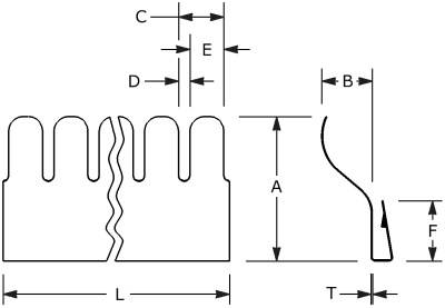
This comprehensive fingerstock series of EMI / RFI shielding gaskets provides a large assortment of configurations for simple clip-on mounting onto various flange thicknesses. Perfect for a wide range of ESD, grounding clip, battery contact and EMI / RFI shielding applications.

clip on sub Series

clip on sub Series

hi deflection clip on Series

hi deflection clip on Series

low profile clip on Series

low profile clip on Series

mini clip on Series

mini clip on Series

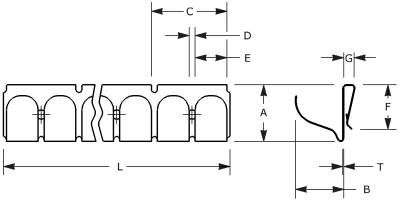
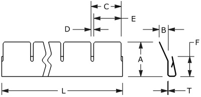
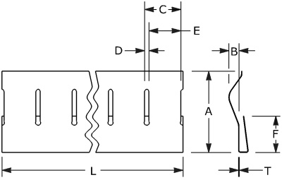
mini twist clip on Series

mini twist clip on Series
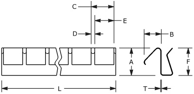
With the same fingerstock configuration as the Mini-Twist Series of RFI EMI shielding gaskets, these fingerstock parts have the added clip-on feature for ease of mounting onto edges or flanges. They are available in 2 different clip-on sizes for mounting onto flange thicknesses ranging from 0.025" thru 0.055".

no snag clip on Series

no snag clip on Series

reverse clip on Series

reverse clip on Series

reverse spherical clip on Series

reverse spherical clip on Series

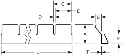
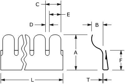
transverse clip on Series

transverse clip on Series
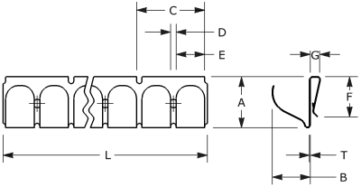
This miniature clip-on series of RFI EMI shielding products was designed to accept compression forces perpendicular to the mounting surface or in a shear direction running across the length of the strip from the base of the finger toward the finger tip.

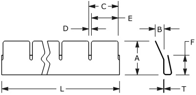
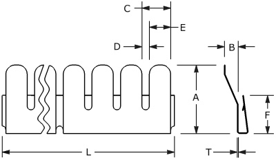
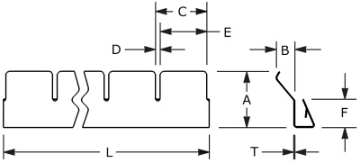
twist clip on Series

twist clip on Series
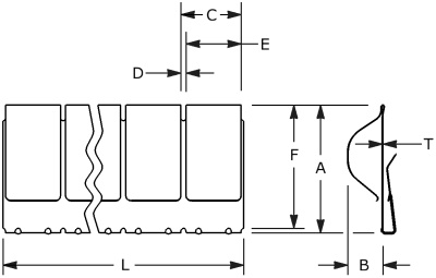
With the same fingerstock configuration as the Twist Series of RFI EMI shielding products, these gaskets have the added clip-on feature for ease on mounting onto edges and flanges. They are available in 3 different mounting sizes to accommodate flange thicknesses ranging from 0.025" thru 0.075".

Find a Product

Inches Millimeters
Product Catalog